Siguiendo con el tema de las Fuentes de Alimentación para equipar nuestro Taller de Electrónica, damos un salto para pasar de montajes caseros, que dan muy buen resultado y que en la mayoría de ocasiones es suficiente, a equiparnos con una Fuente de Alimentación de tipo Profesional.
Por supuesto, y en la línea de no gastar más dinero del estrictamente necesario, sólo hubo que esperar una oportunidad en el mercado de Segunda Mano, que no me cansaré de defender como inagotable fuente de suministros de equipos de medida e instrumentación para todo aficionado a la electrónica.
Con un poco de paciencia, finalmente apareció justo lo que buscaba, una fuente de alimentación de laboratorio doble que nos proporcione al menos 24 Voltios y 2 Amperios. El modelo Weir 4000, del que no he localizado mayor información, se debió fabricar a mediados de los años 90, proporciona hasta 30 Voltios y 2 Amperios con cada una de las dos fuentes con las que cuenta, que conectadas se serie nos darían hasta 60V y 2 A, y en paralelo hasta 30V y 4A. Como todo este tipo de fuentes, cuenta con selector de voltaje y limitador de corriente que evita averiar el equipo que estemos probando o la propia fuente de alimentación en caso de cortocircuito o exceso de consumo eléctrico.

Es perfecta, funciona, está sucia y tiene pequeñas averías fáciles de reparar. Justo lo que buscaba.
Ahora la vemos conectada. Comprobamos la avería del display que mide la tensión de salida de una las dos fuentes de alimentación con que cuenta. También el mal estado de los mandos y conectores. De todo ello ya advertía el vendedor, y por eso la dejó a muy buen precio (41,50 € + los 18 € de los gastos de envío por ser un equipo bastante pesado). El mal aspecto y suciedad exterior son una ventaja para el comprador, ya que le permite bajar el precio durante la negociación o alejar a posibles competidores en una subasta. En el peor de los casos, sólo los transformadores interiores y la carcasa metálica ya tendrían un valor superior a lo pagado, y siempre cabía la posibilidad de reconstruir toda la electrónica interior de control.



Curioso, su última revisión la hizo el laboratorio de calibración A&H Electronic el 05 de agosto de 1997 con un año de validez. Parece que ya iba siendo hora de hacerle una nueva revisión y ajuste.

Reparación y ajustes
Nos ponemos manos a la obra, y lo primero que se observa es que se trata claramente de dos fuentes de alimentación totalmente independientes unidas por el chasis.

En la parte trasera se aprecian los radiadores de los transistores de potencia de cada una de las fuentes independientes. Parecen estar muy sobredimensionados para que no haya problemas de calentamiento o avería de estos importante transistores, elementos fundamentales encargados de controlar el voltaje de salida.

Empezamos el desmontaje, y como se apreciaba externamente queda confirmado que son dos fuentes de alimentación idénticas y totalmente independientes. En cada una de ellas tenemos el transformador en el centro (bajo una placa de conectores), en el lateral derecho de la fotografía la placa de rectificador, filtro y control de potencia, y en la derecha la placa de medición y control de displays.

A continuación vemos un esquema de bloques de este tipo de fuentes de alimentación analógicas (no comnutadas como las que proliferan hoy en día):

Constan de un Transformador que baja la tensión de red (220-230 VAC o 110-125 VAC) a unos 24 voltios en alterna. Un Bloque Rectificador formado por diodos que transforman la corriente alterna en pulsante positiva. El Bloque de Filtración formado por condensadores y bobinas del que se obtiene una tensión fija ya prácticamente continua de unos 34 voltios que puede conservar un ligero rizado. Y finalmente, tenemos el Bloque de Regulación y Control, donde se elimina el poco rizado que pueda quedar y se ajusta el valor de voltaje de salida fijado en los mandos exteriores. Además este bloque controla que no se sobrepase el valor de corriente fijado, proporcionando protección contra cortocircuitos y sobretensiones exteriores.
Lo primero, será localizar la avería del display. Es sencillo encender los segmentos que queramos comprobar, sólo hay que ir ajustando el voltaje de salida de la fuente de alimentación, por ejemplo, a 8,88 voltios y ver si el problema es de los segmentos del display o de la electrónica que los enciende para mostrar el valor de la tensión.
Se verifica que aunque le llega tensión a todos los segmentos del display, hay algunos que no encienden. Todo indica que no hay ninguna avería en la electrónica de control. El siguiente paso es sustituir este display que parece defectuoso.
Como no he sido capaz de localizar el mismo modelo de display, que posiblemente ya no se fabrique, probamos con un display con 4 dígitos de 7 segmentos y punto decimal de los que actualmente se comercializan. Como era de esperar, el patillaje no coincide, por lo que habrá que aplicar ingeniería inversa e ir probando segmento a segmento.

No lo considero una tarea complicada, ya que básicamente estos displays no son más que conjuntos de diodos leds, llamados segmentos, que se encienden de manera individual al ser alimentados.
Los hay de dos tipos, Ánodo Común (AC) y Cátodo Común (CC), dependiendo de que queramos que se enciendan cuando aplicamos un nivel de tensión positivo o cuando conectemos a cero los terminales que controlan su encendido o apagado. Creo que viendo la siguiente imagen sobran más explicaciones.

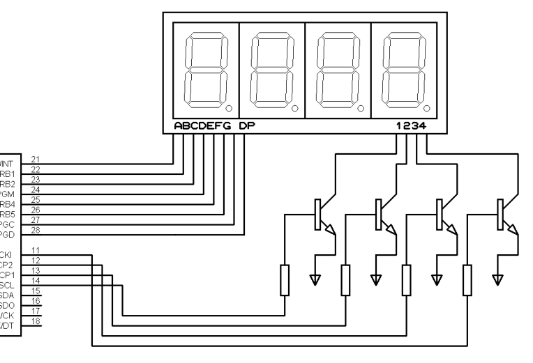
Cuando tenemos displays de varios dígitos, como en este caso (tenemos cuatro), los terminales A, B, C, D, E, F, G y dot (punto decimal) son comunes y es mediante los terminales CC o CA de cada dígito con los que se selecciona el display que debe encender en cada momento. Esto hecho a la suficiente velocidad (unas 50 actualizaciones por segundo en cada dígito del display), dará la sensación al ojo humano de que todos permanecen encendidos al mismo tiempo y en cada uno de ellos se puede mostrar un valor diferente. Con ello, evitamos tener que contar con ocho pistas, cables, transistores de control, etc. por display. Tendremos los 8 pines A, B, C, D, E, F, G y dot, y sólo un pin más por cada dígito del display. Ver las siguientes imágenes para aclararlo.

El resultado es algo así:

Vemos que con sólo 12 señales digitales controlamos 4 displays con un total de 32 leds.
Volviendo a la reparación de la fuente de alimentación, como se ve en las fotos, usé una protoboard a la conecté el cable paralelo del display, y siguiendo el esquema y las explicaciones anteriores, no resulta muy difícil localizar los terminales y verificar que la electrónica de control funciona correctamente, confirmando que sólo es necesario sustituir el display averiado.

Localizada la correspondencia entre los pines, ya sólo queda conectar el nuevo display a la placa usando el cableado paralelo original pero separando cada unos de sus hilos, soldar y usar funda termoretractil para aislar y proteger las uniones eléctricas.



Ahora hay que fijarlo al chasis de la mejor forma que se nos ocurra usando los elementos de fijación del anterior display. En este caso fue posible adaptarlo de manera segura, pero si no hubiera sido posible, siempre podemos contar con la socorrida silicona o pegamento termofusible.

Primera parte lista…
Primera parte lista, ahora quedaría comprobar y ajustar la medida que aparece en los displays, que como vemos en la siguientes imágenes no coincidía mucho con la realidad.


Vemos que cuenta con un conversor Analógico-Digital de los «indestructibles», el circuito integrado ADD3701CCN, que también cuenta en su interior con la electrónica necesaria para controlar displays de 4 dígitos que muestren la lectura de tensión que realiza.

Moviendo los potenciómetros de ajuste de tensión de salida de las dos fuentes de alimentación queda claro que hay un error de Offset en la medida de entre 1 y 2 voltios (mide entre 1 y 2 voltios por encima de valor real), señal evidente de suciedad o problemas de contacto en los potenciómetros de ajuste de los convertidores Analógico-Digital. Para solucionarlo nada mejor que hacer uso del spray limpiador Lubri-Limp / 2, mover con un destornillados los potenciómetros hasta no observar saltos en la medida y ajustarlos a la medida correcta. Aunque no presentan problemas, no está de más aprovechar para limpiar también todos los potenciómetros multivuelta de control de voltaje y limitación de corriente de salida.

Una vez limpio y ajustado, la medida indicada en el display de la fuente de alimentación coincide con el valor real de la tensión de salida.

Damos con concluida la reparación y ajuste. Ahora vamos a la parte estética.
Limpieza y sustitución de mandos y conectores exteriores
Primero, una buena limpieza de la carcasa, que falta le hacía.



Cambiamos todos los botones de los mandos y conectores de salida.


No ha quedado nada mal, con su nuevo display y conectores de salida:

Ya solo falta volver a montarlo todo en su sitio.

Y comprobar el resultado:



Hagamos cuentas. A ver cuanto ha costado este nuevo equipo para el taller:
- Fuente de Alimentación Doble de Laboratorio Wear 4000 en mal estado. (41,50 + 18 = 59,50 €)
- 6 terminales hembra para bornas tipo banana de 4 mm. en distintos colores (9,78 €)
- 6 mandos de potenciómetro 24mm. para eje de 1/4″ (7,38 €)
- Display con 4 dígitos de 7 segmentos Led de 0,56″ en color rojo (0,84 €)
Total: 77,50 €
No está nada mal. Un fuente de alimentación doble de laboratorio nueva, actual y de similares características, aunque más moderna (y añado que posiblemente menos robusta y duradera) de una calidad aceptable y carcasa metálica como esta (no estamos hablando de productos chinos de escasa calidad y características muy inferiores a las anunciadas), puede tener un precio de mercado de en torno a los 300 €.
… Ahora sólo queda disfrutarla y darle uso.

muy interesante, gracias por compartir
Gracias.
Tendra unos años esta fuente, no ha necesitado sostituir los condensadores de filtrado ? Con el tiempo suelen resecarse y perder capacidad.
Interesante taller.
Gracias por compartir.